Except for very expensive ones the number of inputs and outputs on integrated and pre-amplifiers are usually fixed and when you have a lot of different audio equipment to connect you have to plug and un-plug equipment when you want to use it.
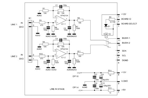
With our modular preamplifier we offer you a real High End solution for this , 10 or 13 slots on the backplane offer plenty possibilities to plug in the inputs and outputs you need. Line in and out, balanced or unbalanced, phono stages, headphone stage and even crossover stages are available.
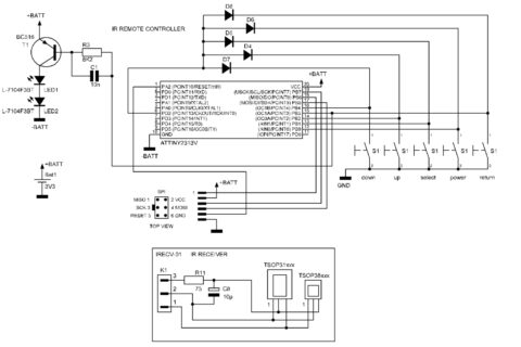
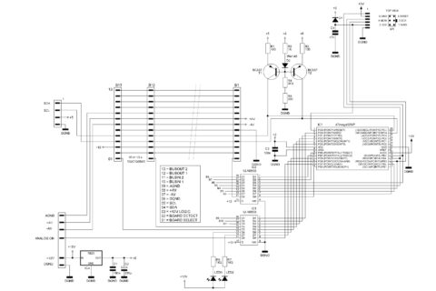
A microcontroller keeps track of everything and with its LCD display keeps you informed about the controls and settings you make and a infrared remote control makes it complete.
System controller and digital volume control are combined on one board so 9 or 12 slots are open to plug in the functions you like to have.
Fully modulair
The most flexible configuration completely according to your needs.
On the right you find an example of a configuration with 12V trigger out, 2 x balanced XLR input, 3 x unbalanced RCA input, 2 x phono input, 2 way 12dB stereo active crossover output, recording out, unbalanced out and balanced out.
Almost every configuration is possible with 12 free slots to configure (one slot is for the volume control and syscon unit).
For easy mounting of backplane brackets two strips are available.
Basic configuration
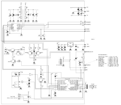
The basic configuration consists of the backplane, power supply with transformers, LCD display and a SYSCON board with digital volume control.
The SYSCON with volume control board needs only one slot so this leaves 9 or 12 free slots to occupy with input and output and other function boards.
Boards that are plugged in will be detected by the microcontroller and configured in the user interface automatically at the press of a button.
Backplane
Everything comes together on the backplane board.
Two options with 10 or 13 rugged silver plated DIN41617 connectors to plug in application boards to configure your pre-amplifier.
The SYSCON board plugs into one of the slots leaving 10 or 12 slots to configure with input and output boards.
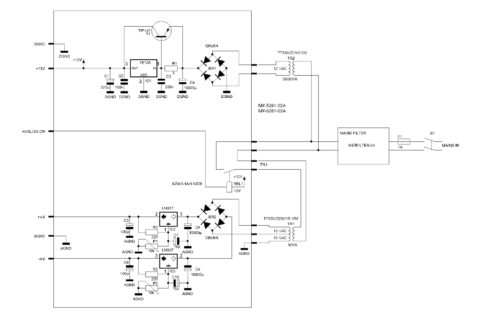
Prower supply PSP03 and PSP07
The power supply consists of a board and two toroidal transformers one for the digital electronics (12V) and a second one for powering the analog stages (plus and minus 13V). The power supply connects to the backplane with a 6 pole molex cable that next to the supply voltages also carries the control signal for the analog stage supply, the digital stage is always ON and the analog stage is controlled by the microcontroller.
PSP03 power supply is intended for the 10 slots backplane and the more heavy PSP07 for the 13 slots backplane or when more than one headphone amplifier is utilized in the 10 slots backplane.
Mains filter
It is recommended to add a mains filter in the mains supply e..g. NETFILTER04.
Volume control and SYSCON
The SYSCON01A contains the digital volume control circuit, based on the Burr-Brown PGA2310 high-end volume control chip, I2C serial interface, infrared communication, 12V trigger interface and connections for power button and LED.
LCD display and rotary encoder
The LCD board, CONTROLLER-2, is connected to the SYSCON by a serial bus on a 4 pole cable with molex connectors. It displays system information on a 4 x 20 character LCD with backlight display and controls system information by means of a rotary encoder with push function connected to it on a separate PCB. Only 4 functions are used to control the complete system, DOWN (rotate left), UP (rotate right)and SELECT (push) on rotary encoder and IR remote controller buttons.
Infra red receiver
The IR receiver board connects to the SYSCON directly.
The system only accepts 4 commands from the IR controller for all system functions and the SYSCON can be programmed to work with any IC-5 code remote control or the IR controller from our shop.
12V trigger interface board
The 12V trigger out board is intended to control the power ON/OFF of the connected power amplifiers. It connect directly to the SYSCON.
The SYSCON can be programmed to output either a 500mS pulse at ON and OFF or a fixed output.
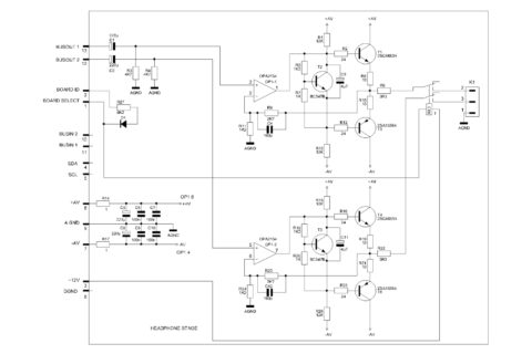
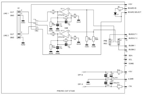
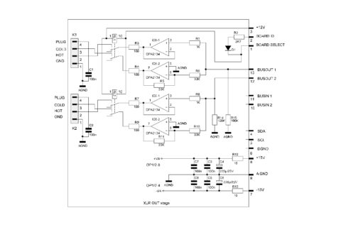
Unbalanced output stage
Cinch or unbalanced output is achieved by this board. It can be used together with multiple other output boards as needed or just as a single output for the pre-amplifier.
The output stage boards can be configured as pre-out or rec-out. In pre-out configuration the output signal is controlled by the volume control and in rec-out the selected input is amplified and send out to the output of the board.
2 way crossover stage
A 2 channel 12dB per octave Linkwitz Riley cross-over board to drive separate amplifiers for woofers and tweeters. The frequency can easily be set or changed with a small and convenient plugin board. A nice terminal bracket is available that holds the cinch terminals for the outputs.
User application board

3 way crossover stage
Coming soon