Description
High-End power supply.
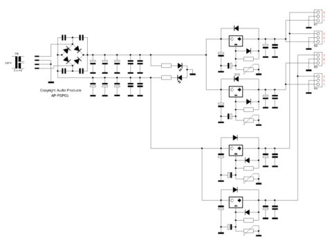
Properties:
Double sided PCB.
Full wave rectifier with dual voltage rail.
Dual ±5 to ±15V 1A output, quad voltage regulators .
High ripple current, Low impedance.
Integrated heatsink.
Faston PCB connectors for easy and rigid connecting of transformer cables.
Dimensions PCB 131.5 mm W x 100 mm D x 45mm H
2 versions are available:
PCB only.
Printed circuit board with manual no parts included.
Assembled and tested module dual ±5V to ±19V.
6 x 4.700uF (14.100uF per voltage rail)
Up to 1A continues power output.
Max transformer voltage 2 x 15VAC (dual winding or center tap).
Calculate transformer voltage for your application (Vapplication + 3) / 1.414 + 2





Reviews
There are no reviews yet.